6축 힘/토크 센서(EtherNET)
✅ revision date: 2025.09.01
메뉴얼 안내
저희 힘/토크 센서를 구매해 주셔서 감사합니다.
이 매뉴얼에는 AIDIN ROBOTICS AFT200-D80 센서를 올바르게 사용하기 위한 필수 정보가 포함되어 있습니다.
소프트웨어 사용 시 반드시 본 매뉴얼을 자세히 확인해주시기 바랍니다.
로봇 시스템이 규정된 조건 밖에서 사용될 경우, 제품의 기본 성능이 발휘되지 않을 수 있음을 알려드립니다.
이 매뉴얼은 힘/토크 센서 사용 중 발생할 수 있는 위험과 그로 인한 결과에 대해 설명하고 있습니다.
안전하고 올바른 사용을 위해 반드시 본 매뉴얼에 명시된 안전 수칙을 준수하시기 바랍니다.
공지
본 매뉴얼은 AIDIN ROBOTICS의 허가 없이 복사, 재생산, 공유를 엄격히 금지합니다.
매뉴얼 또는 제공된 지침에서 오류를 발견하시면 저희에게 반드시 알려주시기 바랍니다.
(연락처: Sales@aidinrobotics.co.kr)
제조사
주식회사 에이딘로보틱스
안전 수칙
🚫 이 기호는 관련 지침을 제대로 따르지 않을 경우 심각한 부상 또는 사망 위험이 있음을 나타냅니다.
⚠️ 이 기호는 관련 지침을 제대로 따르지 않을 경우 인명 피해나 장비 및 시설의 물리적 손상 위험이 있음을 나타냅니다.
✅ AIDIN ROBOTICS의 AFT200-D80-EC 센서는 CE 인증 “A 등급”을 획득하였습니다.
1. 개요
1.1 6축 힘/토크 센서 AFT200-D80
에이딘로보틱스 F/T 센서는 힘(Fx, Fy, Fz)과 토크(Mx, My, Mz)의 성분을 측정합니다.
AFT200-D80-EC 모델은 EtherNET 통신을 통해 사용자 장치로 데이터를 실시간 전송할 수 있습니다.
이 센서는 IP65 등급이며, IP65 등급의 센서 커넥터가 함께 제공됩니다.
에이딘로보틱스 센서는 측정된 힘과 토크 데이터를 각각 N(뉴턴)과 Nm(뉴턴미터) 단위로 제공합니다.

1.2 주요 특징
- 정전용량 방식의 스마트 6축 힘/토크 센서
- 올인원 센서 (추가 증폭기 불필요)
- 디지털 출력 통신 (CAN 등)
- 간편한 설치 및 데이터 수집
- 그리퍼, 로봇 손, 협동 로봇, 산업용 로봇에 적용 가능
1.3 사양
|
Index |
Unit |
Value | ||
|
Operating voltage |
VDC |
12 |
||
|
Max. safe excitation voltage |
VDC |
24 |
||
|
Nominal force range |
N |
200 |
||
|
Nominal torque range |
Nm |
15 |
||
|
Limit force (Fxyz) |
N |
300 |
||
|
Limit torque |
Nm |
25 |
||
|
Force Resolution |
N |
0.15 |
||
|
Torque Resolution |
Nm |
0.015 |
||
|
Force Noise-free resolution (STD) |
N |
0.4 |
||
|
Torque Noise-free resolution (STD) |
Nm |
0.025 |
||
|
Maximum sample rate |
Hz |
1,000 |
||
|
Dimensions |
mm |
D80 x H21.5 |
||
|
IP rating |
|
IP65 |
||
|
Operating temperature |
|
10-50℃ |
||
2. 설치 가이드
2.1 Basic Components
-
AFT200-D80 x 1 EA
- 3m 케이블 x 1 EA

2.2 마운팅
- M5 볼트의 체결 토크는 5.2Nm입니다.
- 내부/외부 볼트를 분해할 경우 성능 보증이 불가능하며, A/S가 제공되지 않습니다.

- 센서 체결순서

- 케이블 절단 및 과도한 당김에 대한 주의사항
- 센서 라인이 로봇 움직임에 따라 당겨지지 않도록 로봇과 함께 안전하게 고정해 주세요.
- 케이블 타이 등으로 로봇에 직접 고정하거나, 다른 선들과 함께 묶어서 케이블 타이로 고정하는 것은 금지합니다.
- 로봇과 고정할 때는 벨크로(찍찍이)를 사용하는 것을 권장하며, 다른 선들과 묶을 경우에도 벨크로를 사용해 고정해 주세요.
💡 체결 토크 가이드에 따르지 않을 경우 성능 보증이 불가능합니다.
💡 센서 라인이 로봇에 고정되지 않으면, 당기는 힘으로 인해 출력 신호에 노이즈가 발생할 수 있습니다.
💡 자세한 설치 가이드는 다음을 참고해 주세요:
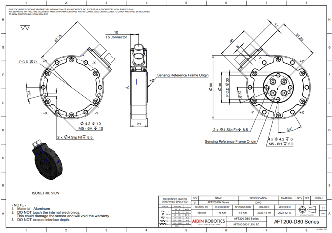
2.3 축&도면


Drawing File :
2.4 와이어링
이더넷(EtherNET) 장치는 POE 인젝터와 1224V AC/DB 전원 공급장치와 함께 제공됩니다. 센서는 802.3af Mode A 프로토콜을 준수하지만, 전원은 Cat5e 이더넷 케이블 내 사용하지 않은 선을 통해서만 공급됩니다. 센서 케이블에 전압을 과도하게 주지 마십시오. 사용자는 센서 케이블을 인젝터의 ‘POE’ 표시가 있는 포트에 연결해야 합니다. 802.3af Mode A와 호환되며 1224V 전원 공급이 가능한 다른 POE 인젝터도 사용할 수 있습니다.
2.4.1 핀 홀

- 전원과 이더넷 신호 연결을 위해 POE 커넥터를 사용해주세요.


| Cable wires color | EtherCAT Signal | |
| 1 | Green/White | TX+ |
| 2 | Green | TX- |
| 3 | Orange/White | RX+ |
| 4 | Blue | 12V |
| 5 | Blue/White | NC |
| 6 | Orange | RX- |
| 7 | Brown/White | NC |
| 8 | Brown | GND |
2.5 이더넷 인터페이스
AFT200-D80-EN 모델은 힘/토크 측정값을 제공하는 RUN 상태를 지원합니다.
또한 AFT200-D80-EN 센서에 활성화 신호를 입력하면 IMU 측정 기능을 활성화할 수 있습니다.
IMU 신호를 활성화하거나 센서 신호의 바이어스를 설정하려면 2.6절의 지침을 따르십시오.
이더넷(EtherNET) 인터페이스를 통해 사용자는 다음과 같은 기능을 사용할 수 있습니다.
- 제품 번호, 시리얼 번호 등 확인
- 힘/토크 데이터 확인
- IMU 데이터 확인
2.5.1 디지털 출력
| Name Type | Size | Bit Size |
| Force x | REAL | 32 |
| Force y | REAL | 32 |
| Force z | REAL | 32 |
| Torque x | REAL | 32 |
| Torque y | REAL | 32 |
| Torque z | REAL | 32 |
| Acceleration x | REAL | 32 |
| Acceleration y | REAL | 32 |
| Acceleration z | REAL | 32 |
| Angular Rate x | REAL | 32 |
| Angular Rate y | REAL | 32 |
| Angular Rate z | REAL | 32 |
| Temperature | REAL | 32 |
2.5.2 출력 타입
- 센서 출력은 빅 엔디언(big-endian) 형식입니다. 사용하기 전에 최종 값을 빅 엔디언 형식으로 변환하여 float 값으로 변환하십시오.

ex) Fx = ‘3F4C03DD’

💡 센서 신호를 안정적으로 유지하기 위해 약 30분간 작동하는 것을 권장합니다.
- 사용 전 최소 10분 이상 센서 데이터를 켜주시기 바랍니다.
💡 데이터를 켠 직후 10분간의 센서 출력 데이터는 다소 변동이 있을 수 있습니다.
2.6 힘/토크 범위 초과
센서는 단일 축 하중 조건에서 정격 용량까지 동작할 수 있습니다.
정격 용량을 초과하면 측정값이 부정확하고 유효하지 않습니다.
복합 하중의 정격 용량은 다음과 같습니다. 아래 그림은 복합 하중 시나리오를 나타낸 것입니다. 센서는 정상 동작 범위를 벗어난 조건에서는 작동할 수 없습니다.

아래 그래프는 AFT200-D80-EN 센서를 사용할 때, 중간~고난이도 수준의 정밀도가 요구되는 응용 분야에서 적용 가능한 하중 범위와 공구 길이를 보여줍니다.
- Fxy 축과 Tz 축에서 사용되는 보정 범위의 총 비율이 105%를 초과하는 경우. 해당 내용은 아래의 Fxy, Tz 계산식을 참조하십시오.

- Fz 축과 Txy 축에서 사용되는 보정 범위의 총 비율이 105%를 초과하는 경우. 해당 내용은 아래의 Fz, Txy 계산식을 참조하십시오.

3. 웹서버(WebServer)
3.1 이더넷을 통한 연결(Connecting Through Ethernet)
IP 주소 설정 방법과 Windows 10 운영체제에서 센서를 AFT200-D80-EN 웹서버에 연결하는 방법에 대해 설명합니다.
이더넷을 통해 연결하려면 사용자가 AFT200-D80-EN 센서의 IP 주소 설정을 구성해야 합니다. 센서는 다음 방법 중 하나로 이더넷 연결이 가능합니다.
- 이더넷 케이블을 이더넷 스위치 포트에 연결
- 이더넷 케이블을 컴퓨터의 이더넷 인터페이스에 직접 연결
3.2 이더넷 IP 주소 설정(IP Address Configuration for Ethernet)
AFT200-D80-EN 센서의 IP 주소는 다음 방법 중 하나로 설정할 수 있습니다.
- 방법 1: 통신 설정 웹 페이지(Communication Settings web page)에서 고정 IP(Static IP) 값을 설정
- 방법 2: DHCP 서버가 IP 주소를 할당
AFT200-D80-EN 센서의 초기 설정은 고정 IP 192.168.1.199으로 설정되어 있습니다.
(초기 IP 주소가 작동하지 않는 경우, 다음 IP 주소로 다시 시도해 보십시오: 192.168.1.182 또는 192.168.1.100)
사용자가 IP 주소를 DHCP나 다른 고정 IP로 변경하고자 하는 경우, **AFT200-D80-EN 웹서버(초기 주소: 192.168.1.199)**에 접속한 후, 3.3절을 참고하여 IP 주소를 변경하십시오.
3.3 Windows 컴퓨터를 이용한 AFT200-D80-EN 웹서버 접속(Connecting To the AFT200-D80-EN Webserver Using a Windows Computer)
AFT200-D80-EN 웹서버에 처음 접속하려면, 센서를 네트워크에서 동작하도록 IP 주소를 할당하고 네트워크 기본 정보를 설정해야 합니다.
초기 연결을 위해서는 컴퓨터를 센서에 직접 연결하고 LAN에서는 연결을 끊으십시오.
센서의 기본 IP 주소는 192.168.1.199입니다.
💡 컴퓨터의 이더넷 어댑터를 임시로 고정 IP로 변경하되, 센서와 동일한 앞 세 개의 필드를 사용합니다. 예를 들어 192.168.1.220으로 설정합니다.
- 컴퓨터의 LAN 포트에서 이더넷 케이블을 분리합니다.
-
컴퓨터의 인터넷 프로토콜(TCP/IP) 속성 창을 엽니다.
a. 시작 메뉴에서 **제어판(Control Panel)**을 선택합니다.
b. 네트워크 및 인터넷(Network and Internet) 아이콘을 클릭합니다.
c. 네트워크 및 공유 센터(Network and Sharing Center) 아이콘을 클릭합니다.
d. 네트워크 상태 및 작업 보기(View network status and tasks) 링크를 클릭합니다.
e. 로컬 영역 연결(Local Area Connection) 링크를 클릭합니다.
f. 속성(Properties) 버튼을 클릭합니다.
g. 네트워킹(Networking) 탭에서 **인터넷 프로토콜 버전 4(TCP/IPv4, Internet Protocol Version 4)**를 선택합니다.
h. 다시 속성(Properties)버튼을 클릭합니다.

4. IP 주소(IP address) 필드에 192.168.1.220(임시) 을 입력합니다.
5. 서브넷 마스크(Subnet mask) 필드에 255.255.255.0 을 입력합니다.
6. 확인(OK) 버튼을 클릭합니다.
7. 로컬 영역 연결 속성(Local Area Connection Properties) 창에서 닫기(Close) 버튼을 클릭합니다.
8. 웹 브라우저에 192.168.1.199 주소를 입력합니다. AFT200-D80-EN 센서의 **환영 페이지(Welcome page)**가 나타납니다. (초기 IP 주소가 작동하지 않는 경우, 다음 IP 주소로 다시 시도하십시오: 192.168.1.182 또는 192.168.1.100)
9. 페이지 왼쪽에 있는 메뉴 바에서 AFT200-D80-EN 센서의 값을 변경할 수 있는 링크가 있습니다. “System Setting” 버튼을 클릭합니다.
- 고정 IP(Static IP)의 경우, IP 주소, 서브넷 마스크, 기본 게이트웨이 값을 적절히 입력한 후 “SAVE SETTING” 버튼을 클릭합니다.
- DHCP의 경우, 콤보 박스에서 DHCP를 선택한 후 페이지 하단의 “SAVE SETTING” 버튼을 클릭합니다. 설정이 성공적으로 저장되면, 페이지 아래에 “Set IP to DHCP successfully. Auto reboot device.” 메시지가 표시됩니다.
11. 새 웹 브라우저 창을 열고, 센서의 IP 주소를 주소창에 입력한 후 Enter 키를 누릅니다.
4. AFT200-D80-EN 웹서버를 통한 센서 구성
AFT200-D80-EN 센서 웹서버는 센서의 모든 구성 옵션을 제공합니다.
웹사이트 왼쪽의 메뉴 바에는 설정 페이지로 이동할 수 있는 버튼이 있습니다.
웹서버는 간단한 HTML 브라우저 스크립트를 사용하며 플러그인 기술이 필요하지 않습니다.
브라우저 스크립트가 비활성화된 경우, 중요하지 않은 사용자 인터페이스 기능은 사용할 수 없습니다.
4.1 웰컴 페이지
사용자가 브라우저 주소창에 센서의 IP 주소를 입력하면, 이더넷 F/T 환영 페이지(Welcome page)가 나타납니다. 환영 페이지에서는 AFT200-D80-EN 센서의 주요 기능 개요를 확인할 수 있으며, 페이지 하단에는 현재 구성에 사용된 보정(Calibration) 정보가 표시됩니다.

4.2 센서 데이터 페이지
이 페이지에서는 현재 센서의 부하 상태를 표시합니다. Sensor Data 페이지의 정보는 정적(static)이며, 사용자가 페이지를 로드하거나 새로고침할 때 최신 상태로 갱신됩니다.

4.3 실시간 모니터링 페이지(Real-time Monitoring Page)
이 페이지에서는 AFT200-D80-EN 센서의 실시간 힘/토크(F/T) 데이터를 확인할 수 있습니다.
왼쪽에는 F/T 값과 가속도(Acceleration) 값이 표시되며, 아래에는 가속도 값과 힘 벡터 방향이 나타납니다.
그래프의 힘/토크 범위는 그래프 하단에 최대값과 최소값을 입력하여 변경할 수 있습니다.


4.4 시스템 세팅 페이지
시스템 설정(System Setting) 페이지에서는 사용자가 시스템의 이더넷 네트워크 옵션을 확인하고 편집할 수 있습니다. 일반적으로 이러한 설정은 사용자가 시스템을 처음 설정할 때 한 번만 구성되며, 이후에는 변경할 필요가 없습니다.
다음은 센서와의 이더넷 통신을 설정하는 방법에 대한 상세한 개요입니다.

시스템 설정(System Setting) 페이지의 필드(Figure 참조)는 다음과 같이 설명됩니다.
이더넷 네트워크 설정(Ethernet network settings):
-
IP 구성(IP Configuration): 사용자는 DHCP 또는 고정 IP(Static IP) 주소 중 하나를 설정할 수 있습니다.
-
IP 주소(IP Address): 사용자가 센서의 IP 주소를 설정할 수 있습니다.
-
서브넷 마스크(Subnet Mask): IP 주소의 서브넷 마스크 부분을 설정하는 필드입니다. (기본값: 255.255.255.0)
사용자는 할당할 고정 조건(static) 서브넷 마스크를 확인하기 위해 IT 부서에 문의해야 합니다.
-
게이트웨이(Gateway): 할당할 기본 게이트웨이를 입력합니다.
5. 동작 명령(Operation Commands)
💡 센서 신호를 안정화하기 위해 약 30분 정도 센서를 작동시키는 것을 권장합니다.
*센서를 사용하기 전에 최소 10분 이상 센서 데이터를 유지하십시오.
💡 센서 출력 데이터의 처음 10분 동안은 데이터가 불안정하게 흐를 수 있습니다.
-
UDP 통신(UDP Communications)
a. 전송 모드(Transmitting mode)
i. 센서로 “00 03 02” 데이터를 HEX 형식으로 전송합니다.

ii. 상위 주소(Upper Address) **“192.168.1.199”**은 PC의 IP 주소입니다. (PC에 설정된 주소의 마지막 자리 “199”을 임의로 변경하여 사용하십시오.)iii. 전송 포트(Transmit Port)는 **“8890”**으로 설정합니다.
iv. 수신 데이터는 총 52바이트이며, “Fx, Fy, Fz, Tx, Ty, Tz, Ax, Ay, Az, Gx, Gy, Gz, Temp” 값이 각각 4바이트 단위로 수신 순서대로 출력됩니다.
v. 출력된 4바이트 데이터는 빅 엔디안(Big-endian) 형식으로 해석하여 사용해야 합니다.
b. Stop mode
i. 센서로 “00 03 03” 데이터를 HEX 형식으로 전송합니다.
c. Bias mode
i. 센서로 “00 03 04” 데이터를 HEX 형식으로 전송합니다. -
TCP/IP communications
a. 전송모드
i. 센서로 “00 03 02” 데이터를 HEX 형식으로 전송합니다.

ii. 상위 주소(Upper Address) **“192.168.1.199”**은 PC의 IP 주소입니다. (PC에 설정된 주소의 마지막 자리 “199”을 임의로 변경하여 사용하십시오.)
iii. 전송 포트(Transmit Port)는 **“80”**으로 설정합니다.
iv. 수신 데이터는 총 52바이트이며, “Fx, Fy, Fz, Tx, Ty, Tz, Ax, Ay, Az, Gx, Gy, Gz, Temp” 값이 각각 4바이트 단위로 수신 순서대로 출력됩니다.
v. 출력된 4바이트 데이터는 빅 엔디안(Big-endian) 형식으로 해석하여 사용해야 합니다.
b. 정지모드
i. 센서로 “00 03 03” 데이터를 HEX 형식으로 전송합니다.

C. 바이어스 모드
i. 센서로 “00 03 04” 데이터를 HEX 형식으로 전송합니다.

6. 개정사항 25.1
💡 2025년 9월 9일 이후에 생산된 센서(S/N: SSAG25RI105~)부터 다음과 같은 변경 사항이 적용됩니다.
- 센서 측 TCP 포트가 80 → 50000으로 변경되었습니다.
- 센서 측 UDP 포트가 8890 → 50000으로 변경되었습니다.
1. 포트 50000 방화벽 설정
이에 따라, 일부 PC에서는 아래와 같이 새 포트(50000)를 열기 위해 방화벽 설정을 변경해야 할 수도 있습니다.





2. TCP/UDP 통신 설정
포트 번호가 50000으로 변경된 점을 제외하면, 명령어 구조 및 설명은 기존과 동일합니다.

- 설정 가능한 샘플링 주파수 범위: 20 Hz ~ 1000 Hz
- 설정 가능한 차단 주파수 조건: 1 < freq_cutoff < 500

